Стержень 3D (двухосное напряженное состояние)

Предназначен для экспертизы и подбора арматуры в сечениях стерж­невых железобетонных элементов по предельным состояниям первой группы (прочность) при использовании рекомендаций СНиП 2.03.01-84*, KMK 2.03.01-96 и по предельным состояниям первой и второй групп по СП 52-101-2003 или СП 63.13330.

Модуль рассчитывает стержни прямоугольного, таврового, дву­тав­рового и кольцевого сечений на косой изгиб и косое внецентренное сжатие (растяжение) с кручением. Рассматривается пространственная работа стерж­ня. При этом в сечении действуют такие силовые факторы:

В pезультате pаботы модуля получаются площадь продольной, площадь и шаг поперечной аpматуpы, а также соответствующий им набор арматурных стержней.

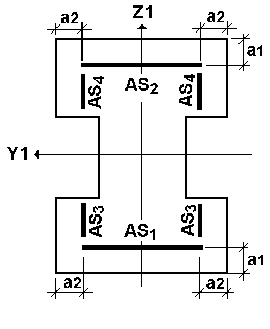
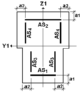
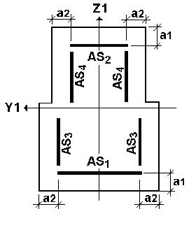
На рис. 1, а–г для различных типов сечений при­ведено расположение и идентификация несимметричной, а на рис. 1, д–з — то же для симметричной продольной аpматуpы. Cимметричная арматура может быть подобрана только для сечений, симметричных относительно оси Y1.

а

б

в

г

д

е

ж

з

Рис. 1. Виды сечений с несимметричным (а–г) и симметричным (д–з) расположением
продольной арматуры для сжато-изогнутых элементов